当前位置:
江苏誉风机电科技有限公司 >
产品中心 >
高压风机 > RHG810-7H2豪冠5.5KW环形高压风机
RHG810-7H2豪冠5.5KW环形高压风机
| 产品型号: |
RHG810-7H2 |
| 品 牌: |
豪冠 |
|
|
| 所 在 地: |
上海松江区 |
| 更新日期: |
2026-02-07 |
| | 品牌:豪冠 | | 型号:RHG810-7H2 | | 材质:铝合金 | |
| | 风机压力:高压风机 | | 性能:耐高温风机 | | 轴功率:5.5 kw | |
| | 叶片数:单段式 | | 重量:70 kg | | 转速:2850 | |
| | 配套电机功率:5.5 kw | | 适用范围:真空吸附,物料输送,增氧曝气 | | 转速:2850 | |
RHG810-7H2豪冠5.5KW环形高压风机特点
:
1.结构紧凑:外形美观,稳定性好,安装保养方便。
2.运行平稳:优化设计的叶轮使轴向力减小到低程度,且有高效的叶轮,并经静动平衡校正,使整机运行平稳,在不加任何减振装置的情况下,轴承振幅≤0.04mm。
3. 噪声低:风机运行时,无任何机械摩擦,采用合理叶片形线使声音降为低。风机产生的噪音是高频噪音,只要有障碍物,即可隔音,所以风机房外几乎无噪音。
4.无油机械:风机轴承采用润滑脂润滑,轴承寿命三年以上。风机在运行中不产生油气。特殊要求风机,采用二硫化钼锂基脂润滑轴承。
5.叶轮:叶轮采用特殊复合线形,减少了内部泄漏,提高了容积效率。
6易于调节:进口端蝶阀调节流量,出口端蝶阀调节压力。
7.驱动方式:通常采用二极异步电动机,也可以采用四极电动机驱动。根据用户电网不同,可采用不同电压 的电机。
8.密封:每级叶轮除进口圈外、级间和机壳两端装有迷宫式密封,以防止气体泄露。
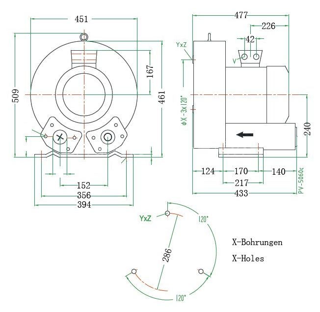
| 型号;RHG810-7H2 |
段数;单段 |
| 功率;5.5 KW |
相数;三相 |
| 频率;50/60 Hz |
电压;380/660 V |
| 噪音;70/74 dB(A) |
重量;63 Kg |
| 防护等级;IP55 |
绝缘等级;F & H |
| 流量;540/620m3/h |
压力;310/280 mbar |
| 真空;-310/-300 mbar |
进口出口;G 2.5 inch |

环形高压风机结构特点:
· 风机主要由叶轮、机壳、进风口、电机、连接器、散热风叶等部件组成。
· 叶轮采用多翼式单进离心叶轮,用优质的镀锌板或冷轧钢板成,叶片依据空气动力原理设计。WQE型叶轮由10个后倾机翼型叶片、曲线型前盘和平板后盘组成。材料用强度高、耐用性好的优质钢板制造,并经严格的动、静平衡校正,空气性能良好,效率高,运行平稳。
· 进风口采用收敛流线型减涡形式,气流损失较小,风机的工作效率高。
· 风机机壳与电机以金属铸件安装连接,电机轴头上安装散热风叶,金属铸件的外壁上开高进、出水管接口,对金属铸件与轴头进行降温,确保电机在高温下正常运行。
· 其电机采用特殊高温电机,风机流体部分采用耐温材料,降温结构性能可靠。相比锅炉引风机,型结构简单,维护方便,性价比高等优点。
特点:
(1)损耗小、效率高:直流高压鼓风机因为采用了永磁体励磁,消除了感应电机励磁电流生的损耗;同时永磁无刷直流电动机工作于同步运行方式,消除了感应电机转子铁心的转频损耗。这两方面使永磁无刷直流电机的运行效率远高于感应电机,小容量电机的效率提高更明显。
(2)功率因数高:由于无刷直流电机的励磁磁场不需要电网的无功电流,因此其功率因数远高于感应电机,无刷直流电机可以运行于1功率因数,这对小功率电机极为有利。无刷电机与感应电机相比不但额定负载时具有更高的效率和功率因数,而且在轻载时更具有优势。
(3)调速性能好、控制简单:与感应电机的变频调速相比,无刷直流电机的调速控制不但简单,而且具有更好的调速性能。
(4)逆变器容量低,因此逆变器成本低:24V直流吹送鱼料鼓风机如需配备无刷直流电动机需要矩形波电流,逆变器持续运行时的电流额定值指的就是这个矩形波的峰值。感应电机需要正弦波电流,逆变器持续运行时的电流额定值一般指的是这个正弦波的有效值。为保持逆变器对电动机电流的控制能力,逆变器直流电压与电动机感应电动势间应有足够的差值。因此无刷直流电动机梯形波感应电动势和感应电动机正弦波感应电动势可以达到的峰值都受到逆变器直流电压的限制。在这种情况下,若假定无刷直流电动机和感应电动机电流的峰值相等,则前者功率输出要比后者高出33%,也就是说,同一台整流器/逆变器可以驱动比感应电机输出功率高出33%的无刷直流电动机。
